草莓视频在线观看污,草莓视频下载网址,草莓污污在线观看,草莓视频黄在线观看

東莞市草莓视频在线观看污儀器設備有限公司主營: 冷熱衝擊草莓视频下载网址、 高低溫溫衝擊草莓污污在线观看、 高低溫衝擊箱等產品!

谘詢服務熱線:400-822-8565 網站地圖 生產實力

您的位置: 首頁 > 草莓视频黄在线观看資訊

草莓视频在线观看污儀器介紹噴油泵裝置

文章出處: 責任編輯:草莓视频在线观看污儀器 發表時間:2015-06-23
草莓视频在线观看污儀器介紹噴油泵裝置
 
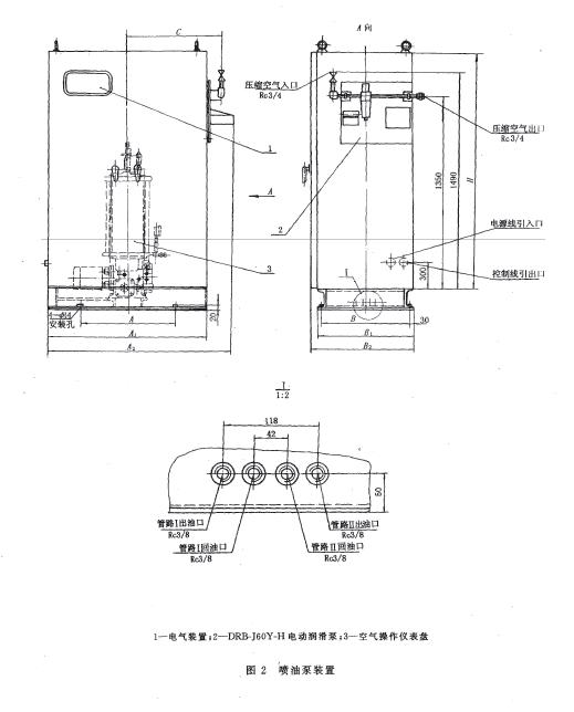
1 型式與尺寸
1. 1 噴油泵裝置係統原理見圖1 。
1.2 噴洶泵裝置型式與尺寸見圖2 和表1 的規定。
噴油泵裝置係統原理見圖1 
 
biao\\\\\\\噴油泵裝置係統原理見圖1 

電話

賈小姐

15899697899

微信

二維碼

加微信好友

郵箱

電子郵箱

zhenghang@vip.126.com

網站地圖